9급 국가직 공무원 응용역학개론 (2024년03월23일 기출문제)
1과목 : 과목 구분 없음
1번
그림과 같이 지면에 케이블로 고정한 기구가 부양력 120kN과 수평풍하중(W)에 의해 케이블 각도가 60°에서 정지상태를 유지할 때, 케이블의 장력 T의 크기[kN]는? (단, 케이블의 형상은 선형이다)

2번
그림과 같이 구속조건이 다른 두 장주가 있다. 기둥 (a)의 좌굴하중이 100kN일 때, 기둥 (b)의 좌굴하중[kN]은? (단, 기둥의 휨강성 EI는 같고, 구조물의 자중은 무시한다)

3번
그림과 같은 평면응력상태에 있는 응력요소의 주응력[MPa]과 최대전단응력[MPa]은?

4번
그림과 같이 게르버보에 집중하중 P가 작용할 때, A점과 D점의 전단력의 크기 VA, VD는? (단, 구조물의 자중은 무시한다)

5번
휨강성(EI)이 동일한 두 캔틸레버보 (a)와 (b)에서 자유단 B점의 처짐이 같아지도록 하는 하중 P는? (단, 구조물의 자중은 무시한다)

6번
그림은 어떤 보 구조물의 형상과 정성적인 휨모멘트 선도를 겹쳐서 나타낸 것이다. 이에 근거한 설명으로 옳지 않은 것은? (단, 곡선부분은 모두 2차 곡선이다)

7번
한 변의 길이가 h인 정사각형 단면 (a)와 45° 회전한 단면 (b)에서 x축에 관한 단면성질에 대한 설명으로 옳은 것은? (단, 재료는 균질하며, 단면 (a), 단면 (b)에 대한 단면2차모멘트는 각각 I(a), I(b)이고, 단면계수는 각각 Z(a), Z(b)이다)

8번
그림과 같이 강체보에 하중 P가 작용할 때, 케이블에 발생하는 길이 변형량[mm]은? (단, 케이블의 단면적 A=0.1m2, 탄성계수 E=200,000kN/m2이고, 구조물의 자중은 무시한다)

9번
그림과 같은 부재에서 초기 축방향 변형률은 스트레인 게이지에 의해 0으로 측정되었다. 이후로 B점의 하중 P와 주변 온도 변화 △T=-30°C으로 인하여 축방향 변형률이 +2400×10-6으로 측정되었다면, 이때 부재의 축방향 응력[MPa]은? (단, 탄성계수 E=100GPa, 열팽창계수 α=20×10-6/°C이며, 부재의 자중은 무시한다)

10번
그림과 같이 정지상태의 물체(무게 W=55kN)에 케이블과 도르래를 이용하여 하중 P를 작용시킬 때, 물체가 미끄러짐이 발생하기 직전의 최대 하중 P[kN]는? (단, 바닥과 물체 사이의 최대정지마찰계수는 μ=0.5이고, 케이블과 도르래의 질량 및 도르래의 마찰은 무시한다)

11번
그림과 같이 두께가 얇은 강판이 마찰이 없는 강체벽에 의해 x방향으로 구속되어 있다. 50MPa의 압력이 y방향으로 작용할 때, 강판의 y방향 수축변형률[10-3]은? (단, 강판의 탄성계수 E=200GPa, 포아송 비 ν=0.2이며, 강판의 자중은 무시한다)

12번
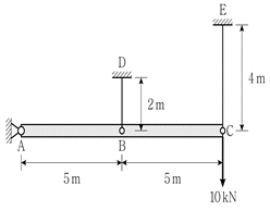
그림과 같이 B점과 C점에서 케이블로 지지된 강체보의 C점에 하중 10kN이 작용할 때, 지점 A에서의 수직 반력의 크기[kN]와 방향은? (단, 케이블의 탄성계수는 200GPa, 단면적은 100mm2이고, 모든 부재의 자중은 무시한다)

13번
그림과 같이 바닥틀을 지지하는 거더에서 D~E구간 전단력 VD~E의 정성적인 영향선으로 옳은 것은? (단, 거더의 휨강성은 일정하다)

14번
그림과 같이 등분포하중 w가 작용하는 단순보에서 소성힌지의 형성으로 소성붕괴될 때의 등분포 소성붕괴하중 wu는? (단, Mp는 소성모멘트이고, 구조물의 자중은 무시한다)

15번
그림과 같이 스프링으로 지지된 균일 단면의 강체보에 하중 900N이 작용하여 수평을 유지할 때, 스프링 강성 kB[kN/m]는? (단, 스프링 강성 kA=5kN/m이고, 구조물의 자중은 무시한다)

16번
그림과 같은 정사각형 및 원형 단면에 같은 크기의 전단력 V가 작용할 때, 단면에 발생하는 최대전단응력의 비(
)는?
)는?
17번
그림과 같이 일정 길이의 봉 부재 양단에 휨모멘트 M=50Nㆍm가 작용하여 곡률반경 ρ=4m인 원호의 일부 형상으로 변형되었을 때, 봉 재료의 탄성계수 E[GPa]는? (단, 봉의 단면은 한 변의 길이가 10mm인 정사각형 단면이고, 미소변형이론을 적용한다)

18번
그림과 같은 트러스에서 부재 BC의 부재력[kN]은? (단, 구조물의 자중은 무시한다)

19번
그림과 같은 단순보에서 A점의 회전각 θA[radian]와 C점의 처짐 δC[m]는? (단, 보의 휨강성 EI=1,200kNㆍm2이고, 구조물의 자중은 무시한다)

20번
그림은 두께 t인 판 3개를 접착시켜 제작한 단순보에 하중 P를 '0'에서부터 서서히 증가시키는 실험을 나타낸다. 만일 P=9kN일 때 접착면 전단파괴가 발생하였다면, 판의 두께 t[mm]는? (단, 접착면의 전단강도는 5MPa이고, 전단파괴 이전에 접착면 미끄러짐은 발생하지 않으며, 구조물의 자중은 무시한다)
